جدول طبقه بندی ماشین های تشکیل دهنده اجزای OLAMEF

ویژگی های ماشین تشکیل دهنده اجزای OLAMEF
بیش از 30 سال تجربه حرفه ای در ساخت ماشین آلات خمش، برش و شکل دهی قطعات.
تجهیزات پردازش درجه ممتاز، راه حل بهینه برای کاربردهای لحیم کاری کوتاه-.
ساخته شده از فولاد ویژه برای ماندگاری طولانی-.
مطابق با استانداردهای ایمنی ایالات متحده و اروپا.
خدمات پس از فروش و پشتیبانی فنی جامع در دسترس است.
راندمان تولید را بیش از 20 برابر افزایش دهید.
کاهش نیاز به نیروی کار، کاهش شدت کار و کاهش هزینه های نیروی کار.
از کیفیت ثابت محصول اطمینان حاصل کنید.
TP6/PR{1}F معرفی محصول
TP6/PR-F/1 برای تشکیل صفحه قفل افقی و برش سرب قطعات محوری نوار/بالا (مقاومت ها، دیودها، فیوزها و غیره) با قطر سیم از 0.35 میلی متر تا 0.9 میلی متر طراحی شده است.

به عنوان یک ماشین ترکیبی مدولار، می تواند نیازهای تولید متنوع شما را از طریق تنظیمات اختیاری زیر برآورده کند:
MOT98{1}}الف: واحد محرک الکتریکی با سرعت متغیر برای عملکرد موتوری.
CS40: فیدر اجزای حجیم برای نیازهای تشکیل دهنده مواد حجیم.



خم شدن "U" فقط برای 43. و 43.OL02 Gruppo piega a"U" در هر 43.OL01 e 43.OL02 (کد.420650)

|
مدل |
TP6/PR{1}F/1+MOT-98A+ CS40 |
|
برند و کشور مبدا |
ایتالیا OLAMEF |
|
پیکربندی اولیه |
TP6/PR-دستگاه قالبگیری F/1 (1 دسته، 1 مجموعه ابزار تنظیم، 1 دفترچه راهنمای فنی) |
|
MOT{1}}دستگاه الکتریکی تنظیم کننده سرعت 98A (سیم برق، کلید پا) |
|
|
CS40 Dispersion Dispenser |
|
|
کد قالب: 420800 |
|
|
مشخصات فنی: |
|
|
ابعاد |
41×31×28㎝ |
|
وزن |
22 کیلوگرم وزن خالص کل مجموعه |
|
منبع تغذیه |
220 ولت، 50 هرتز / 60 هرتز |
|
قدرت |
60 وات (MOT-98A) |
|
دقت برش |
± 0.20 میلی متر |
|
ظرفیت پردازش |
نوار{0}}قطعات تغذیه شده: تقریباً 3500-4500 عدد در ساعت اجزای{0}}تغذیه شده انبوه: تقریباً 2000-3000 عدد در ساعت |
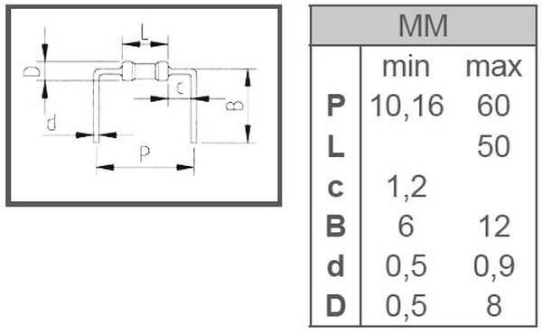
TP6/PR-بتصاویر و ابعاد محصول قالب گیری شده



بازی تولیدی خود را با TP6 بالا ببرید/PR-بامروز!
تگ های محبوب: خودکار افقی-ماشین شکلدهی و برش سرب برای قطعات نواری و فلهای محوری، دستگاه خود قفلکننده و برش سرب چین برای تولیدکنندگان، تأمینکنندگان، کارخانه و قطعات محوری نواری و فله
